Changshui Technology Group Co., Ltd.

Zawór zwrotny tłumika HC41X-16Q

  • Zawór zwrotny tłumika HC41X-16Q
  • Zawór zwrotny tłumika HC41X-16Q
  • Zawór zwrotny tłumika HC41X-16Q
  • Zawór zwrotny tłumika HC41X-16Q
  • Zawór zwrotny tłumika HC41X-16Q
  • Zawór zwrotny tłumika HC41X-16Q

Zawór zwrotny tłumika HC41X-16Q

Zawory zwrotne z tłumikiem nadają się głównie do systemów zaopatrzenia w wodę i odwadniania wieżowców, systemów zaopatrzenia w wodę rur przeciwpożarowych itp. Ten zawór zwrotny z tłumikiem może skutecznie zapobiegać cofaniu się medium i powodowaniu niszczącego uderzenia wodnego oraz chronić pompę wodną i inne wyposażenie rurociągu. Główne cechy użytkowe tego zaworu są następujące: 1. Zawór ten może być montowany pionowo lub poziomo. Zawór można elastycznie podnosić i opuszczać, pracuje płynnie, jest cichy, bezpieczny i rzadko ulega awariom. 2. Rozsądna struktura i dobre właściwości uszczelniające. 3. Odporna na zużycie i długa żywotność.

  • Zawór zwrotny tłumika HC41X-16Q
  • Zawór zwrotny tłumika HC41X-16Q
  • Zawór zwrotny tłumika HC41X-16Q
  • Zawór zwrotny tłumika HC41X-16Q
  • Zawór zwrotny tłumika HC41X-16Q
  • Zawór zwrotny tłumika HC41X-16Q
Skontaktuj się z nami

Opis

Materiał korpusu

Żeliwo sferoidalne

Modelka

HC41X-16Q

Specyfikacja

DN40-600

Ciśnienie nominalne

1,0/1,6/2,5 MPa

Temperatura robocza

0-80°C

Obowiązujące media

woda

Standardy projektowe

GB/24924-2011


Przegląd produktu

Cichy zawór zwrotny odnosi się do zaworu, który wykorzystuje sam przepływ medium do automatycznego otwierania i zamykania dysku zaworu, aby zapobiec cofaniu się medium. Nazywa się go również zaworem zwrotnym, zaworem jednokierunkowym, zaworem zwrotnym tłumika, zaworem przeciwprądowym i zaworem zwrotnym. . Jego główną funkcją jest zapobieganie cofaniu się medium, zapobieganie odwrotnemu obrotowi pompy i silnika napędowego oraz uwalnianie medium z pojemnika. Może być również stosowany na rurociągach zasilających instalacje pomocnicze, gdzie ciśnienie może wzrosnąć powyżej ciśnienia w instalacji. Stosowany głównie do czystych rurociągów i rurociągów przemysłowych, ochrony środowiska, uzdatniania wody, zaopatrzenia w wodę w wieżowcach i rurociągów drenażowych, aby zapobiec odwrotnemu przepływowi mediów.

Cechy produktu

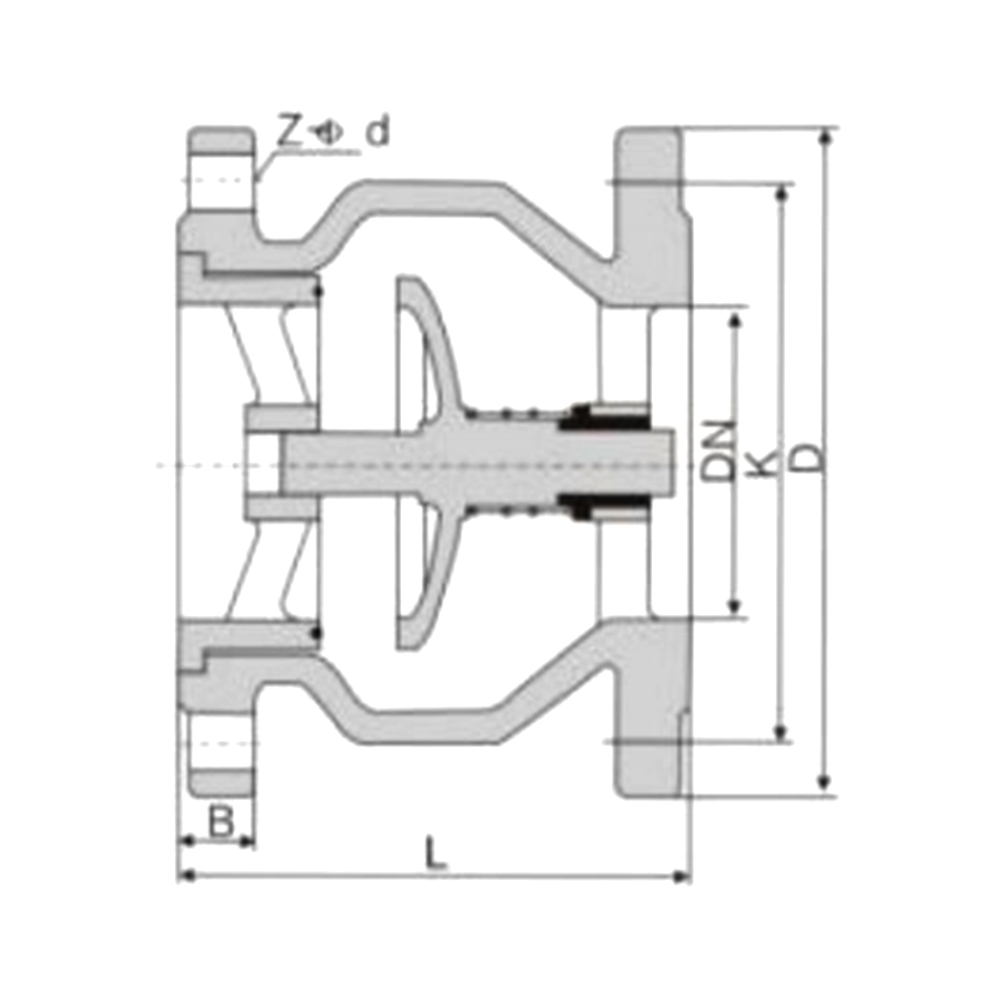
Tarcza zaworu prowadzona jest przez oś centralną na obu końcach wlotu i wylotu, otwiera się i zamyka elastycznie i może być instalowana poziomo lub pionowo. Tarcza zaworu jest obciążona sprężyną, a jej szybkie zamykanie może skutecznie zmniejszyć ciśnienie uderzenia hydraulicznego, zapewniając dobre właściwości uszczelniające i brak hałasu podczas zamykania. Odporność na zużycie i długa żywotność.


Główne materiały części

Numer seryjny Część główna Materiał
1 Korpus zaworu QT450
2 Pierścień zaworu QT450
3 Dysk Zespoły gumowe
4 Wiosna stal nierdzewna
5 Łodyga 2CR13

Parametry techniczne produktu

Specyfikacja (DN) 50 65 80 100 125 150 200 250 300 350 400
Długość zaworu (mm) 120 132 150 162 188 207 253 278 310 350 390
Ciśnienie próbne
(MPa)
Obudowa 1,5-2,4
Pieczęć 1,1-1,76
Ciśnienie nominalne (MPa) 1,0-1,6
Obowiązująca temperatura 0-80 ℃
Obowiązujące media woda i płyny słabo żrące

O Changshui

Zaawansowane technologie zapewniające wydajne i niezawodne działanie

Changshui Technology Group Co., Ltd.is a valve integrating R&D, manufacturing, sales and service The manufacturer is currently one of the main suppliers of general-purpose valves in China. The main products are: gate valves, globe valves, butterfly valves, ball valves, check valves, regulating valves, pressure reducing valves, diaphragm valves, plug valves, plunger valves, drains Valves, hydraulic control valves, etc.

Wysokiej jakości produkty cieszą się uznaniem i uznaniem użytkowników w różnych gałęziach przemysłu i znajdują szerokie zastosowanie w budownictwie, ciepłownictwie, wodociągach, przemyśle naftowym, chemicznym, elektroenergetyce i innych! Celem firmy jest przyczynianie się do społeczeństwa poprzez produkty wysokiej jakości. „Naszym celem jest zadowolenie użytkowników”. Nasza polityka jakości brzmi: „Spełniaj potrzeby i oczekiwania użytkowników w zakresie jakości produktu i zrób krok naprzód. Pierwszorzędny poziom zarządzania jakością, wytwarzanie najwyższej klasy produktów, tworzenie najwyższej klasy usług. „CSHUValve Industry ma firmę. Firma jest gotowa współpracować z nowymi i starymi przyjaciółmi, współpracownikami w społeczeństwie oraz użytkownikami w kraju i za granicą, aby ponownie połączyć ręce, a Floor tworzy nową chwałę!


Wiadomości
Wiadomość zwrotna
  • Naciśnięcie przycisku „Wyślij” oznacza, że wyraziłeś zgodę na współpracę z firmą Używany do obsługi pojedynczych danych.